- tousalaferme.com
- パーツレビュー
- タイヤ・ホイール
- タイヤ
- ホビー・楽器・アート
- 楽器・機材
- {{prodcut_title}}
Birdland Original 3連ペグ メタルノブ ブラスポスト GOTOH製
Birdland Original 3連ペグ メタルノブ ブラスポスト GOTOH製
4点
(56件)
レビュー一覧 56件 (総件数:56件)
おすすめの商品
Yahoo!ショッピングの商品を見る
[PR]
Birdlandオリジナルでオーダーしたブラス素材を採用したモデルです。
製造はギター/ベース用ペグで高い信頼性を誇るGOTOH。
50年代のギブソン社で使われていたスペックを再現いたしました。
ポスト/ギア/ワッシャーがブラス素材になることでブラス特有の倍音効果とサスティーンが向上します。
※ブラス部分のパーツにはクロームメッキが施されています。
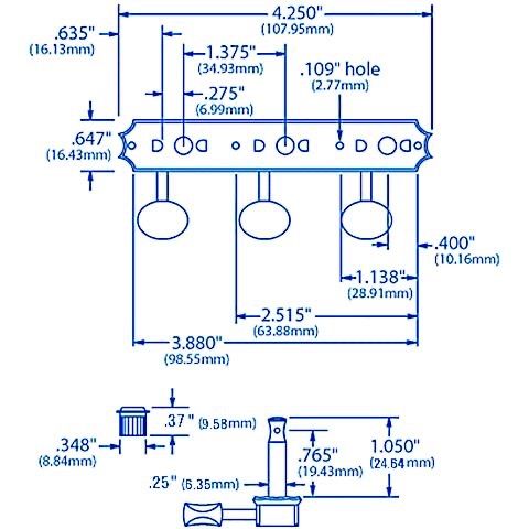
ブッシュ外径:8.84mm
ペグポスト径:6.35mm
ポスト長(ヘッド裏でヘッドに密着する部位から弦を通す穴までの長さ):19.43mm
※画像はサンプルです。モニターの発色の具合等により、実際の物と色味が異なる場合がございます。
予めご了承下さいませ。
製造はギター/ベース用ペグで高い信頼性を誇るGOTOH。
50年代のギブソン社で使われていたスペックを再現いたしました。
ポスト/ギア/ワッシャーがブラス素材になることでブラス特有の倍音効果とサスティーンが向上します。
※ブラス部分のパーツにはクロームメッキが施されています。
ブッシュ外径:8.84mm
ペグポスト径:6.35mm
ポスト長(ヘッド裏でヘッドに密着する部位から弦を通す穴までの長さ):19.43mm
※画像はサンプルです。モニターの発色の具合等により、実際の物と色味が異なる場合がございます。
予めご了承下さいませ。
カテゴリー:
ホビー・楽器・アート##楽器・機材##ギター・ベース用パーツ・アクセサリー##パーツ##ペグ
商品の状態:
新品、未使用
配送料の負担:
送料無料
配送の方法:
未定(出品者が手配)
発送元の地域:
東京都
発送までの日数:
2~5日
マイページでカーライフを便利に楽しく!!
イベント・キャンペーン
-
13450 円
-
16666 円
-
15000 円










